Как чип постоянного тока DCDC работает в высокоточном регулировании мощности?


Аннотация к статье

A DCDC чип постоянного токаявляется ключевым компонентом современных систем управления питанием, предназначенным для обеспечения стабильного и контролируемого выходного тока независимо от изменений нагрузки или входного напряжения. В этой статье представлен всесторонний технический обзор того, как функционируют микросхемы постоянного тока DCDC, рассматриваются ключевые электрические параметры, исследуются сценарии реального применения и отвечают на часто задаваемые технические вопросы. Контент структурирован так, чтобы поддерживать принятие инженерных решений, выбор компонентов и долгосрочную оптимизацию системы, при этом он соответствует текущему поисковому поведению и профессиональным привычкам чтения.

AS6911SGA


Оглавление


Схема содержания

  • Фундаментальные принципы работы и внутренняя архитектура
  • Подробное объяснение электрических и тепловых параметров
  • Применение в промышленной, автомобильной и бытовой электронике
  • Часто задаваемые технические вопросы, касающиеся распространенных инженерных проблем
  • Будущие тенденции развития и интеграция на системном уровне

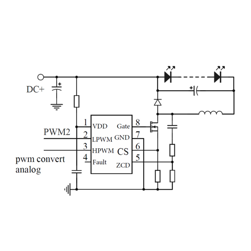
1. Как микросхема постоянного тока DCDC предназначена для регулирования тока?

Микросхема постоянного тока DCDC представляет собой интегральную схему управления питанием в импульсном режиме, которая поддерживает фиксированный выходной ток за счет динамической регулировки рабочего цикла, частоты переключения и контуров управления с обратной связью. В отличие от стабилизаторов постоянного напряжения, основной управляющей переменной является ток, а не напряжение, что делает этот тип микросхем незаменимым для таких нагрузок, как светодиоды, лазерные диоды, схемы зарядки аккумуляторов и прецизионные датчики.

Внутри микросхема включает в себя высокоскоростной усилитель ошибки, компаратор измерения тока, источник опорного напряжения и драйвер силового MOSFET. Ток, протекающий через нагрузку, измеряется с помощью внутреннего или внешнего измерительного резистора. Этот измеренный сигнал сравнивается с опорным порогом, и логика управления корректирует поведение переключения для компенсации изменений линии или нагрузки.

Основной целью разработки является стабильность тока при различных входных условиях. Работая в понижающей, повышающей или повышающе-понижающей топологиях, микросхема постоянного тока постоянного тока может поддерживать широкий диапазон входного напряжения, сохраняя при этом эффективность и тепловую безопасность.


2. Как ключевые параметры определяют производительность микросхемы постоянного тока постоянного тока?

Выбор подходящего чипа постоянного тока постоянного тока требует тщательной оценки его электрических, тепловых и управляющих характеристик. Эти параметры напрямую влияют на надежность, эффективность и соответствие системы нормативным стандартам.

Параметр Типичный диапазон Техническое значение
Диапазон входного напряжения 3 В – 60 В Определяет совместимость с аккумуляторными блоками, адаптерами или промышленными шинами.
Точность выходного тока от ±1% до ±5% Определяет точность регулирования тока при динамических нагрузках
Частота переключения 100 кГц – 2 МГц Влияет на эффективность, производительность по электромагнитным помехам и размер пассивных компонентов.
Эффективность 85% – 98% Непосредственно влияет на тепловыделение и потери мощности.
Тепловая защита 150°C – 170°C Выключение Предотвращает выход устройства из строя при перегрузке или недостаточном охлаждении

Усовершенствованные устройства также включают в себя такие функции, как управление плавным пуском, интерфейсы регулировки яркости ШИМ, аналоговую регулировку тока и диагностику неисправностей. Эти возможности упрощают проектирование на уровне системы и уменьшают потребность во внешних схемах.


DCDC Чип постоянного тока – распространенные вопросы и ответы

Вопрос: Как чип постоянного тока DCDC поддерживает стабильный выходной сигнал при колебаниях входного напряжения?

Ответ: Микросхема постоянно контролирует ток нагрузки через петлю обратной связи и регулирует рабочий цикл переключения в реальном времени, компенсируя любые изменения входного напряжения без изменения регулируемого уровня тока.

Вопрос: Как осуществляется управление нагревом в сильноточных микросхемах постоянного тока постоянного тока?

Ответ: Управление теплом осуществляется с помощью высокоэффективных коммутационных топологий с низким сопротивлением R.ДС(вкл.)МОП-транзисторы, схемы термозащиты и оптимизированная компоновка печатных плат, улучшающая рассеивание тепла.

Вопрос: Чем чип постоянного тока отличается от стабилизатора постоянного напряжения в конструкции системы?

Ответ: Микросхема постоянного тока отдает приоритет точности тока, а не стабильности напряжения, что делает ее подходящей для чувствительных к току нагрузок, где напряжение может меняться в зависимости от условий эксплуатации.


3. Как чип постоянного тока DCDC применяется в различных отраслях?

Микросхемы постоянного тока DCDC широко используются во многих отраслях благодаря своей гибкости и эффективности. В твердотельных системах освещения они обеспечивают равномерную яркость и продлевают срок службы светодиодов. В автомобильной электронике они поддерживают адаптивное освещение, комбинации приборов и подсистемы управления аккумулятором.

Системы промышленной автоматизации используют эти чипы для управления датчиками, исполнительными механизмами и оптическими компонентами, которым требуется предсказуемое поведение тока. Медицинские устройства полагаются на стабилизацию постоянного тока, чтобы гарантировать точность сигнала и безопасность пациента. Бытовая электроника выигрывает от компактной интеграции и низкого энергопотребления, особенно в портативных устройствах.

Каждый сценарий применения предъявляет уникальные требования к электричеству и окружающей среде, что подчеркивает важность выбора микросхемы с соответствующими функциями защиты и интерфейсами управления.


4. Как будет развиваться технология чипов постоянного тока DCDC?

Эволюция технологии DCDC Constant Current Chip обусловлена ​​растущим спросом на более высокую эффективность, более широкий диапазон входного напряжения и интеллектуальное управление. В будущих разработках особое внимание будет уделяться цифровым контурам управления, адаптивному масштабированию тока и более тесной интеграции с микроконтроллерами и интерфейсами связи.

Полупроводниковые материалы с широкой запрещенной зоной, такие как GaN и SiC, влияют на архитектуры следующего поколения, обеспечивая более высокие частоты переключения и уменьшая потери проводимости. Кроме того, интеграция системы на кристалле позволяет сократить занимаемую площадь и одновременно повысить надежность.

Поскольку энергосистемы становятся более распределенными и интеллектуальными, регулирование постоянного тока останется основополагающей возможностью, обеспечивающей энергоэффективность и оптимизацию производительности.


Шэньчжэнь Cokintech Co., Ltd.специализируется на разработке и поставке высокопроизводительных микросхем постоянного тока постоянного тока, специально разработанных для промышленных, автомобильных и передовых электронных приложений. Благодаря постоянному техническому совершенствованию и производству, ориентированному на качество, компания поддерживает стабильные и масштабируемые конструкции управления питанием.

Для получения технических консультаций, настройки параметров или рекомендаций для конкретного применения, пожалуйста,связаться с намиобсудить требования проекта и возможности долгосрочного сотрудничества.

Отправить запрос

X
Мы используем файлы cookie, чтобы предложить вам лучший опыт просмотра, анализировать трафик сайта и персонализировать контент. Используя этот сайт, вы соглашаетесь на использование нами файлов cookie. политика конфиденциальности