АС2780
  • АС2780АС2780

АС2780

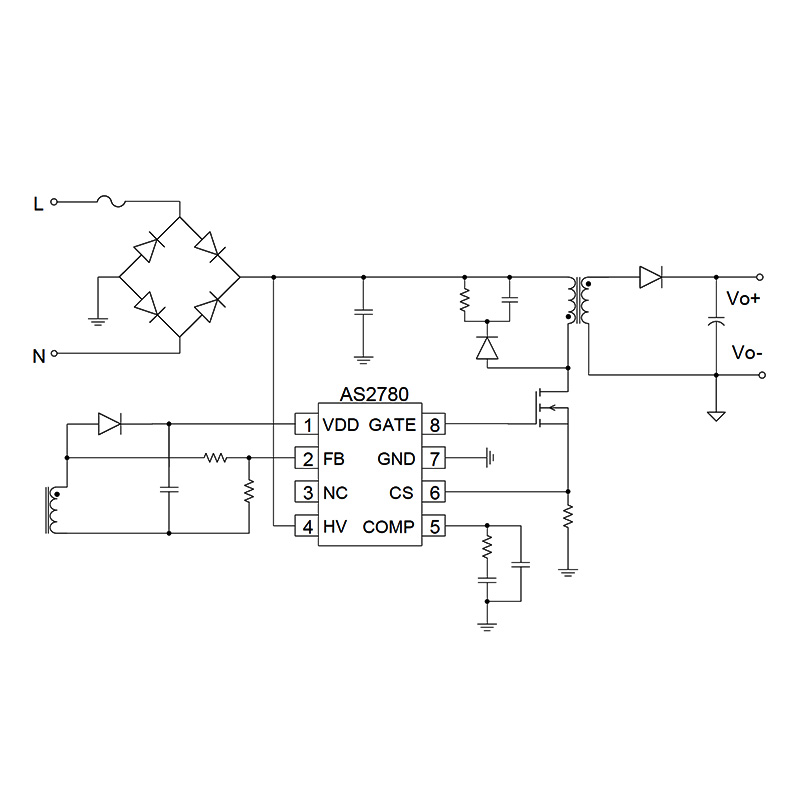
AS2780 — это контроллер постоянного выходного напряжения с высоким коэффициентом мощности, низким общим гармоническим искажением и управлением на первичной стороне.

Отправить запрос

Описание продукта

Высокий коэффициент мощности, низкий коэффициент нелинейных искажений, квазирезонансный обратноходовой преобразователь с управлением на первичной стороне и постоянным напряжением.


AS2780 — это контроллер постоянного выходного напряжения с высоким коэффициентом мощности, низким общим гармоническим искажением и управлением на первичной стороне. Чип имеет встроенную схему запуска при высоком напряжении, которая может удовлетворить требования быстрого запуска и сверхнизкого режима ожидания.

AS2780 использует квазирезонансный режим работы, система имеет высокую эффективность работы, но также может обеспечить лучшие характеристики ЭМС. Чип может установить самую низкую рабочую частоту, что может гарантировать, что выходное напряжение системы не будет дрейфовать в условиях легкой псевдонагрузки и соответствовать требованиям низких потерь в режиме ожидания.


Встроенный адаптивный механизм ограничения выходного напряжения KP2813 ускоряет динамическую реакцию нагрузки для удовлетворения различных потребностей приложений. AS2780 полностью интегрирован с функциями защиты, включая: защиту от пониженного напряжения VDD (VDD UVLO), защиту от повышенного напряжения VDD (VDD OVP), защиту от пониженного напряжения на входе (BOP), защиту от повышенного напряжения на выходе (OVP), защиту от пониженного напряжения на выходе (UVP), циклический ток Предел (OCP), защита от нештатной перегрузки по току (AOCP), защита от перегрузки (OLP), защита от короткого замыкания (SCP), встроенная защита от перегрева (OTP), переднее заглушение (LEB) и т. д.


Основная особенность

• Высокий КПД в квазирезонансном режиме

• Коэффициент мощности при полном напряжении >0,95, THD<10%

• Градуированные гармоники соответствуют классу C IEC61000-3-2.

• Встроенный быстрый плавный пуск, время запуска системы <500 мс.

• Точность постоянного выходного давления ±3%

• Встроенная схема запуска и питания высокого напряжения 650 В.

• Сверхнизкий пусковой и рабочий ток, энергопотребление в режиме ожидания <50 мВт.

• Тип инкапсуляции СОП-8.


• Встроенные функции защиты:

• Защита от повышенного/пониженного напряжения VDD (VDD OVP/UVLO).

• Защита от перенапряжения на выходе (OVP)

• Защита от пониженного напряжения на входе (BOP)

• Защита от перегрева (OTP)

• Еженедельная токовая защита (OCP/AOCP)

• Защита выхода от короткого замыкания (SCP)

• Защита от перегрузки (OLP)

• Передняя заглушка (LEB)


Типичное применение

• Интеллектуальное освещение, ландшафтное освещение.

• Внешний источник питания постоянного напряжения.



Связаться с нами

Шэньчжэнь штаб-квартира: 10-й этаж, здание Центра исследований и разработок, Индустриальный парк EVOC, 

Gулица Уанмин, Гуанмин Район, город Шэньчжэнь, провинция Гуандун, Китай

Официальный сайт компании: www.cokinsemi.com

 

Электронная почта: wyq@cokinic.com

Телефон:+86-18681585060

 




Горячие Теги: AS2780, Китай, Производитель, Поставщик, Фабрика, Индивидуальные, Низкая цена, Качество, Передовые, Прочные, Последние продажи, В наличии
Связанная категория
Отправить запрос
Пожалуйста, не стесняйтесь дать свой запрос в форме ниже. Мы ответим вам в течение 24 часов.
X
Мы используем файлы cookie, чтобы предложить вам лучший опыт просмотра, анализировать трафик сайта и персонализировать контент. Используя этот сайт, вы соглашаетесь на использование нами файлов cookie. политика конфиденциальности
Отклонять Принимать