КП1511СПА
  • КП1511СПАКП1511СПА

КП1511СПА

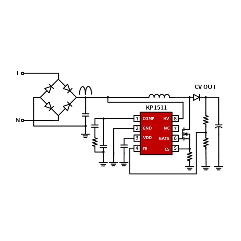
KP1511SPA представляет собой высокоинтегрированный повышающий контроллер постоянного напряжения PFC. Чип использует квазирезонансный режим работы в сочетании с технологией управления активной коррекцией коэффициента мощности для удовлетворения требований высокого коэффициента мощности, сверхнизких гармонических искажений и высокой эффективности.

Отправить запрос

Описание продукта

Высокопроизводительный контроллер постоянного напряжения с повышающей коррекцией коэффициента мощности в критическом режиме


KP1511SPA представляет собой высокоинтегрированный повышающий контроллер постоянного напряжения PFC. Чип использует квазирезонансный режим работы в сочетании с технологией управления активной коррекцией коэффициента мощности для удовлетворения требований высокого коэффициента мощности, сверхнизких гармонических искажений и высокой эффективности.


Внутренняя интегрированная технология обнаружения сигнала размагничивания KP1511SPA, встроенная схема запуска и питания высокого напряжения 650 В, отсутствие обнаружения размагничивания и питания вспомогательной обмотки, только несколько периферийных устройств, что значительно упрощает конструкцию системы и производственные затраты.


KP1511SPA объединяет полные функции защиты для обеспечения безопасной и надежной работы системы, такие как: функция защиты от пониженного напряжения VDD (UVLO), ограничение циклического тока (OCP), защита от перегрева (OTP), защита от повышенного выходного напряжения (OVP), защита от пониженного выходного напряжения ( УВП) и др.


Основная особенность

• Высокий КПД в квазирезонансном режиме

• Поддержка конструкции без вспомогательной обмотки.

• Встроенная схема запуска и питания высокого напряжения 650 В.

• Технология одноступенчатой ​​активной коррекции коэффициента мощности.

• Коэффициент мощности при полном напряжении >0,9, THD<10%

• Время запуска системы <200 мс

• Высокоточный контроль постоянного давления

• Сверхнизкий рабочий ток

• Превосходная регулировка сетевого напряжения и нагрузки


• Функции внутренней защиты:

Защита от перенапряжения на выходе (OVP)

• Защита от пониженного напряжения на выходе (UVP).

• Предел тока цикла (OCP)

• Передняя заглушка (LEB)

• Защита от перегрева (OTP)


• Тип инкапсуляции СОП-8.


Типичное применение

• Приложения с мощной коррекцией коэффициента мощности



Связаться с нами

Шэньчжэнь штаб-квартира: 10-й этаж, здание Центра исследований и разработок, Индустриальный парк EVOC, 

Gулица Уанмин, Гуанмин Район, город Шэньчжэнь, провинция Гуандун, Китай

Официальный сайт компании: www.cokinsemi.com

 

Электронная почта: wyq@cokinic.com

Телефон:+86-18681585060

 




Горячие Теги: KP1511SPA, Китай, Производитель, Поставщик, Фабрика, Индивидуальные, Низкая цена, Качество, Передовые, Прочные, Последние продажи, В наличии
Связанная категория
Отправить запрос
Пожалуйста, не стесняйтесь дать свой запрос в форме ниже. Мы ответим вам в течение 24 часов.
X
Мы используем файлы cookie, чтобы предложить вам лучший опыт просмотра, анализировать трафик сайта и персонализировать контент. Используя этот сайт, вы соглашаетесь на использование нами файлов cookie. политика конфиденциальности
Отклонять Принимать