КП116СПА
  • КП116СПАКП116СПА

КП116СПА

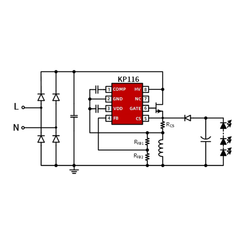
KP116SPA представляет собой высокоинтегрированный светодиодный контроллер постоянного тока, чип использует квазирезонансный режим работы, а технология управления активной коррекцией коэффициента мощности может удовлетворить требования высокого коэффициента мощности, низкого гармонического искажения и высокой эффективности.

Отправить запрос

Описание продукта

Неизолированный контроллер светодиодного драйвера с активной коррекцией коэффициента мощности вверх и вниз


KP116SPA представляет собой высокоинтегрированный светодиодный контроллер постоянного тока, чип использует квазирезонансный режим работы, а технология управления активной коррекцией коэффициента мощности может удовлетворить требования высокого коэффициента мощности, низкого гармонического искажения и высокой эффективности.


КП116СПА имеет встроенную схему высоковольтного пуска и высоковольтного питания, что упрощает конструкцию системы и затраты на производство. Отбирая ток индуктивности в течение периода непрерывного тока, чип может получить сверхточный постоянный выходной ток, а выходное линейное напряжение и скорость регулировки нагрузки превосходны.


KP116SPA объединяет полные функции защиты для обеспечения безопасной и надежной работы системы, такие как: функция защиты от пониженного напряжения VDD (UVLO), ограничение тока цикла (OCP), защита от перегрева (OTP), защита от перенапряжения на выходе (OVP), светодиодный индикатор открытого и короткого замыкания. защита цепи.


Главная особенность

• Запатентованная технология активной коррекции коэффициента мощности.

• Коэффициент мощности при полном напряжении >0,95, THD<15%

• Встроенные высоковольтные цепи запуска и питания.

• Высокий КПД в квазирезонансном режиме

• Точность постоянного тока ±3 %.

• Сверхнизкий рабочий ток

• Превосходная регулировка сетевого напряжения и нагрузки


• Функции внутренней защиты:

• Защита от перенапряжения на выходе (OVP)

• Предел тока цикла (OCP)

• Передняя заглушка (LEB)

• Защита светодиода от обрыва и короткого замыкания

• Защита от перегрева (OTP)

• Тип инкапсуляции СОП-8.


Типичное применение

• Светодиодная трубка T5/T8

• Светодиодная лампа с высоким коэффициентом мощности.



Связаться с нами

Шэньчжэнь штаб-квартира: 10-й этаж, здание Центра исследований и разработок, Индустриальный парк EVOC, 

Gулица Уанмин, Гуанмин Район, город Шэньчжэнь, провинция Гуандун, Китай

Официальный сайт компании: www.cokinsemi.com

 

Электронная почта: wyq@cokinic.com

Телефон:+86-18681585060

 




Горячие Теги: KP116SPA, Китай, Производитель, Поставщик, Фабрика, Индивидуальные, Низкая цена, Качество, Передовые, Прочные, Последние продажи, В наличии
Связанная категория
Отправить запрос
Пожалуйста, не стесняйтесь дать свой запрос в форме ниже. Мы ответим вам в течение 24 часов.
X
Мы используем файлы cookie, чтобы предложить вам лучший опыт просмотра, анализировать трафик сайта и персонализировать контент. Используя этот сайт, вы соглашаетесь на использование нами файлов cookie. политика конфиденциальности
Отклонять Принимать