КП1313СПА
  • КП1313СПАКП1313СПА

КП1313СПА

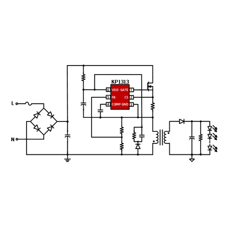
KP1313SPA — это высокопроизводительный квазирезонансный светодиодный контроллер с первичным управлением, который обеспечивает высокоточные характеристики постоянного выходного тока, особенно подходит для изолированных источников питания освещения средней и высокой мощности.

Отправить запрос

Описание продукта

Высокоэффективный квазирезонансный контроллер светодиодов с первичным постоянным током


KP1313SPA — это высокопроизводительный квазирезонансный светодиодный контроллер с первичным управлением, который обеспечивает высокую точность постоянного выходного тока и особенно подходит для изолированных источников питания освещения средней и высокой мощности.


KP1313SPA использует петлю постоянного тока для достижения квазирезонансного управления, а рабочий механизм включения нижнего уровня может значительно снизить потери при переключении и повысить эффективность, одновременно улучшая ЭМС. Чип объединяет в себе компенсацию постоянного тока линейного напряжения и напряжения нагрузки, что позволяет получить превосходную скорость регулировки линейного напряжения и нагрузки.


KP1313SPA объединяет различные функции защиты: защита от пониженного напряжения VDD (UVLO), защита от повышенного напряжения VDD (OVP), защита от перегрева (OTP), защита от тока цикла (OCP), защита от обрыва светодиода и короткого замыкания и т. д.


Главная особенность

• Высокоэффективный квазирезонансный режим работы.

• Поддержка конструкции первичной обратной связи с двойной обмоткой, упрощение периферийных устройств.

• Высокая точность постоянного тока ±3%.

• Сверхнизкий рабочий ток

• Встроенная компенсация постоянного тока для линейного напряжения и напряжения нагрузки.

• Форма упаковки SOT23-6L


• Встроенные функции защиты:

• Защита от перенапряжения на выходе (OVP)

• Защита от пониженного напряжения VDD (UVLO).

• Еженедельная токовая защита (OCP)

• Защита светодиода от обрыва и короткого замыкания

• Защита от перегрева (OTP)

• Передняя заглушка (LEB)


Типичное применение

• Мощное светодиодное освещение.



Связаться с нами

Шэньчжэнь штаб-квартира: 10-й этаж, здание Центра исследований и разработок, Индустриальный парк EVOC, 

Gулица Уанмин, Гуанмин Район, город Шэньчжэнь, провинция Гуандун, Китай

Официальный сайт компании: www.cokinsemi.com

 

Электронная почта: wyq@cokinic.com

Телефон:+86-18681585060

 




Горячие Теги: KP1313SPA, Китай, Производитель, Поставщик, Фабрика, Индивидуальные, Низкая цена, Качество, Передовые, Прочные, Последние продажи, В наличии
Связанная категория
Отправить запрос
Пожалуйста, не стесняйтесь дать свой запрос в форме ниже. Мы ответим вам в течение 24 часов.
X
Мы используем файлы cookie, чтобы предложить вам лучший опыт просмотра, анализировать трафик сайта и персонализировать контент. Используя этот сайт, вы соглашаетесь на использование нами файлов cookie. политика конфиденциальности
Отклонять Принимать