КП1325ЛГА
  • КП1325ЛГАКП1325ЛГА

КП1325ЛГА

KP1325LGA представляет собой высокоинтегрированный контроллер мощности светодиодов постоянного тока, чип использует квазирезонансный режим первичной обратной связи, а технология управления активной коррекцией коэффициента мощности может удовлетворить требования к производительности, такие как высокий коэффициент мощности, низкий уровень гармонических искажений и высокая эффективность.

Отправить запрос

Описание продукта

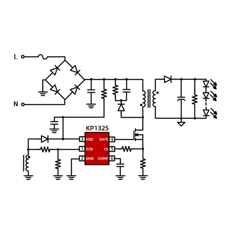
Изолированный одноступенчатый контроллер драйвера светодиодов с активной коррекцией коэффициента мощности


KP1325LGA представляет собой высокоинтегрированный контроллер мощности светодиодов постоянного тока. Чип использует квазирезонансный режим первичной обратной связи, а технология управления активной коррекцией коэффициента мощности может удовлетворить требования к производительности, такие как высокий коэффициент мощности, низкий уровень гармонических искажений и высокая эффективность.


KP1325LGA объединяет высокоточную технологию выборки индуктивного тока и высокоточное опорное пороговое напряжение компаратора тока, а также объединяет проводную компенсацию напряжения и технологию компенсации напряжения нагрузки, которая имеет хорошие характеристики выхода постоянного тока.


KP1325LGA оснащен полным набором функций защиты, обеспечивающих безопасную и надежную работу системы, таких как: функция защиты от пониженного напряжения VDD (UVLO), ограничение циклического тока (OCP), защита от ненормальной перегрузки по току (AOCP), защита от перегрева (OTP), выходное перенапряжение. защита (OVP), светодиод обрыва и защита от короткого замыкания.


Главная особенность

• Недорогая схема управления первичной стороны, высокая эффективность системы.

• Полный диапазон давления PF > 0,95, THD < 10 %

• Градуированные гармоники соответствуют стандарту IEC61000-3-2.

• Квазирезонансный режим работы, высокая эффективность и отличные характеристики электромагнитных помех.

• Встроенная компенсация скорости регулировки линейного напряжения и компенсация скорости регулировки нагрузки.

• Внутренний мягкий чехол

• Пакет: SOT23-6


• Встроенные функции полной защиты:

• Защита светодиода от обрыва и короткого замыкания

• Зажим ВДД

• Защита от перегрева (OTP)

• Защита от циклического тока (OCP)

• Защита от нештатной перегрузки по току (AOCP)


Типичное применение

• Светодиодные панели, точечные светильники, уличные фонари.

• Изолированное питание светодиодного драйвера переменного/постоянного тока



Связаться с нами

Шэньчжэнь штаб-квартира: 10-й этаж, здание Центра исследований и разработок, Индустриальный парк EVOC, 

Gулица Уанмин, Гуанмин Район, город Шэньчжэнь, провинция Гуандун, Китай

Официальный сайт компании: www.cokinsemi.com

 

Электронная почта: wyq@cokinic.com

Телефон:+86-18681585060

 




Горячие Теги: KP1325LGA, Китай, Производитель, Поставщик, Фабрика, Индивидуальные, Низкая цена, Качество, Передовые, Прочные, Последние продажи, В наличии
Связанная категория
Отправить запрос
Пожалуйста, не стесняйтесь дать свой запрос в форме ниже. Мы ответим вам в течение 24 часов.
X
Мы используем файлы cookie, чтобы предложить вам лучший опыт просмотра, анализировать трафик сайта и персонализировать контент. Используя этот сайт, вы соглашаетесь на использование нами файлов cookie. политика конфиденциальности
Отклонять Принимать