КП119Х
  • КП119ХКП119Х

КП119Х

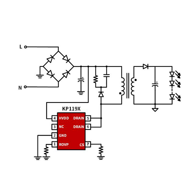
KP119X — это семейство высокоинтегрированных переключателей мощности с управлением постоянным током (CC) на первичной стороне DCM (режим прерывистой проводимости) (PSR) для изолированных светодиодных осветительных приборов высокой мощности.

Отправить запрос

Описание продукта

Изолированный выключатель питания со светодиодом постоянного тока PSR


KP119X — это семейство высокоинтегрированных переключателей мощности с управлением постоянным током (CC) на первичной стороне DCM (режим прерывистой проводимости) (PSR) для изолированных светодиодных осветительных приборов высокой мощности.


KP119X включает в себя силовой МОП-транзистор на 650 В, высоковольтную схему запуска/питания микросхемы и новую схему размагничивания трансформатора, которая исключает вспомогательную обмотку трансформатора и снижает стоимость проектирования системы. В микросхеме также применяется высокоточный метод управления по току, который обеспечивает точный выходной ток и хорошее регулирование линии/нагрузки.


KP119X объединяет функции и средства защиты: ограничение тока и гашение переднего фронта, блокировка пониженного напряжения (UVLO), циклическое ограничение тока (OCP), термозащита (OTP), защита от перенапряжения на выходе (OVP), защита от обрыва/короткого замыкания светодиода , и т. д.


Функции

• Интегрирован с МОП-транзистором 650 В.

• Интегрированная схема высоковольтного запуска и источника питания VDD

•  PSR CC-контроль

• ±5% Регулирование CC

• Очень низкий рабочий ток VDD

• Встроенная компенсация CC линии переменного тока

•  Доступно с пакетом SOP-7 и DIP-7.


• Встроенные средства защиты:

• Защита от перенапряжения на выходе (OVP)

•  Поцикловое ограничение тока

•  Заглушка передней кромки (LEB)

•  Защита от короткого/разомкнутого светодиода

•  Встроенная термообратная связь (OTP)


Приложения

• Нижний свет, потолочный светильник, панельный светильник   •  Другое светодиодное освещение высокой мощности



Связаться с нами

Шэньчжэнь штаб-квартира: 10-й этаж, здание Центра исследований и разработок, Индустриальный парк EVOC, 

Gулица Уанмин, Гуанмин Район, город Шэньчжэнь, провинция Гуандун, Китай

Официальный сайт компании: www.cokinsemi.com

 

Электронная почта: wyq@cokinic.com

Телефон:+86-18681585060

 




Горячие Теги: KP119X, Китай, Производитель, Поставщик, Фабрика, Индивидуальные, Низкая цена, Качество, Передовые, Прочные, Последние продажи, В наличии
Связанная категория
Отправить запрос
Пожалуйста, не стесняйтесь дать свой запрос в форме ниже. Мы ответим вам в течение 24 часов.
X
Мы используем файлы cookie, чтобы предложить вам лучший опыт просмотра, анализировать трафик сайта и персонализировать контент. Используя этот сайт, вы соглашаетесь на использование нами файлов cookie. политика конфиденциальности
Отклонять Принимать