КП126XFCSPA
  • КП126XFCSPAКП126XFCSPA

КП126XFCSPA

KP126XFCSPA — это семейство высокоинтегрированных светодиодных переключателей постоянного тока. В микросхеме используется квазирезонансная (QR) топология понижающего преобразователя с активным управлением PFC, обеспечивающая высокий коэффициент мощности, низкий коэффициент нелинейных искажений и высокую эффективность.

Отправить запрос

Описание продукта

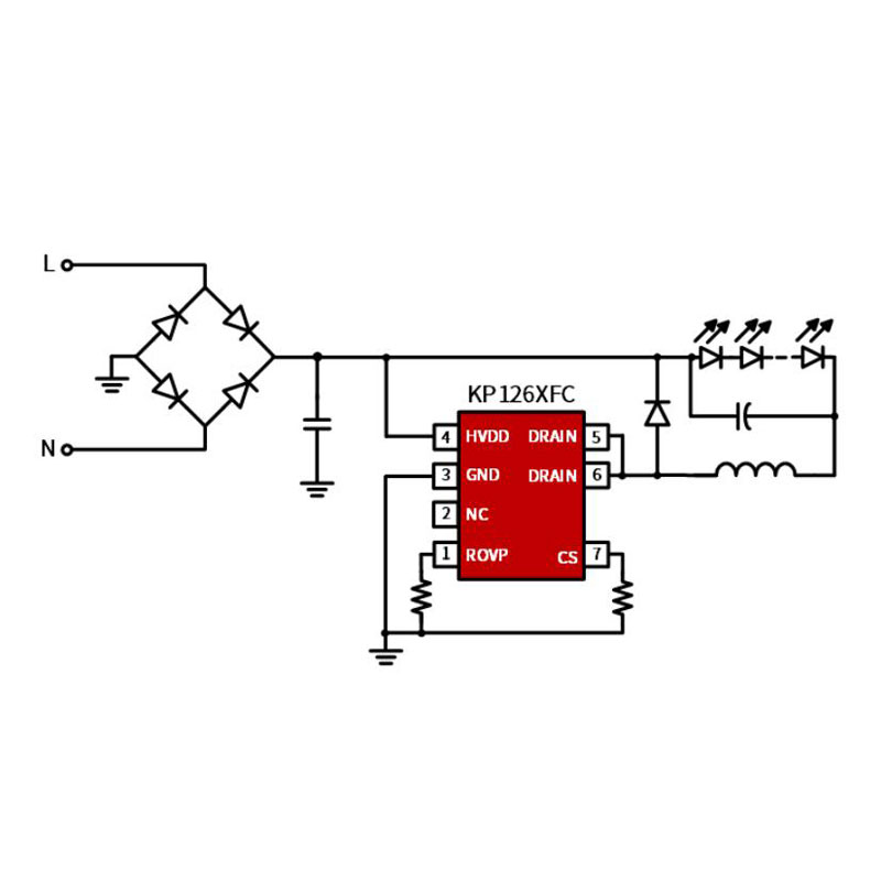
Светодиодный выключатель питания APFC Buck


KP126XFCSPA — это семейство высокоинтегрированных светодиодных переключателей постоянного тока. В микросхеме используется квазирезонансная (QR) топология понижающего преобразователя с активным управлением PFC, обеспечивающая высокий коэффициент мощности, низкий коэффициент нелинейных искажений и высокую эффективность.


KP126XFCSPA включает в себя внутреннюю схему обнаружения размагничивания и силовой МОП-транзистор на 500 В с высоковольтным запуском, что исключает вспомогательную обмотку для питания и размагничивания и упрощает конструкцию и стоимость производства системы. Микросхема использует точное измерение тока, управление постоянным током с замкнутым контуром для достижения высокоточного управления CC с превосходным регулированием линии и нагрузки.


KP126XFCSPA объединяет функции и защиты циклического ограничения тока (OCP), термозащиты (OTP), защиты от перенапряжения на выходе (OVP), защиты от обрыва/короткого замыкания светодиода и т. д.


Функции

• Активная коррекция коэффициента мощности

• Высокое значение коэффициента мощности >0,9.

• Встроенная цепь питания

• Внутренний силовой МОП-транзистор на 500 В.

• Отсутствие VDD, конструкция конденсатора COMP

• Режим работы QR для высокой эффективности

•  Высокая точность выходного тока <±3%

• Сверхнизкий рабочий ток

• Хорошая линия и регулирование нагрузки


•  Встроенные средства защиты:

• Программируемая защита от перенапряжения на выходе (OVP).

•  Ограничение тока по циклам (OCP)

•  Заглушка передней кромки (LEB)

•  Светодиод защиты от обрыва и короткого замыкания

•  Термическая складная задняя часть (OTP)


• Пакет доступен вместе с SOP-7.


Приложения

• Светодиодный драйвер



Связаться с нами

Шэньчжэнь штаб-квартира: 10-й этаж, здание Центра исследований и разработок, Индустриальный парк EVOC, 

Gулица Уанмин, Гуанмин Район, город Шэньчжэнь, провинция Гуандун, Китай

Официальный сайт компании: www.cokinsemi.com

 

Электронная почта: wyq@cokinic.com

Телефон:+86-18681585060

 




Горячие Теги: KP126XFCSPA, Китай, Производитель, Поставщик, Фабрика, Индивидуальные, Низкая цена, Качество, Передовые, Прочные, Последние продажи, В наличии
Связанная категория
Отправить запрос
Пожалуйста, не стесняйтесь дать свой запрос в форме ниже. Мы ответим вам в течение 24 часов.
X
Мы используем файлы cookie, чтобы предложить вам лучший опыт просмотра, анализировать трафик сайта и персонализировать контент. Используя этот сайт, вы соглашаетесь на использование нами файлов cookie. политика конфиденциальности
Отклонять Принимать