КП28122СГА
  • КП28122СГАКП28122СГА

КП28122СГА

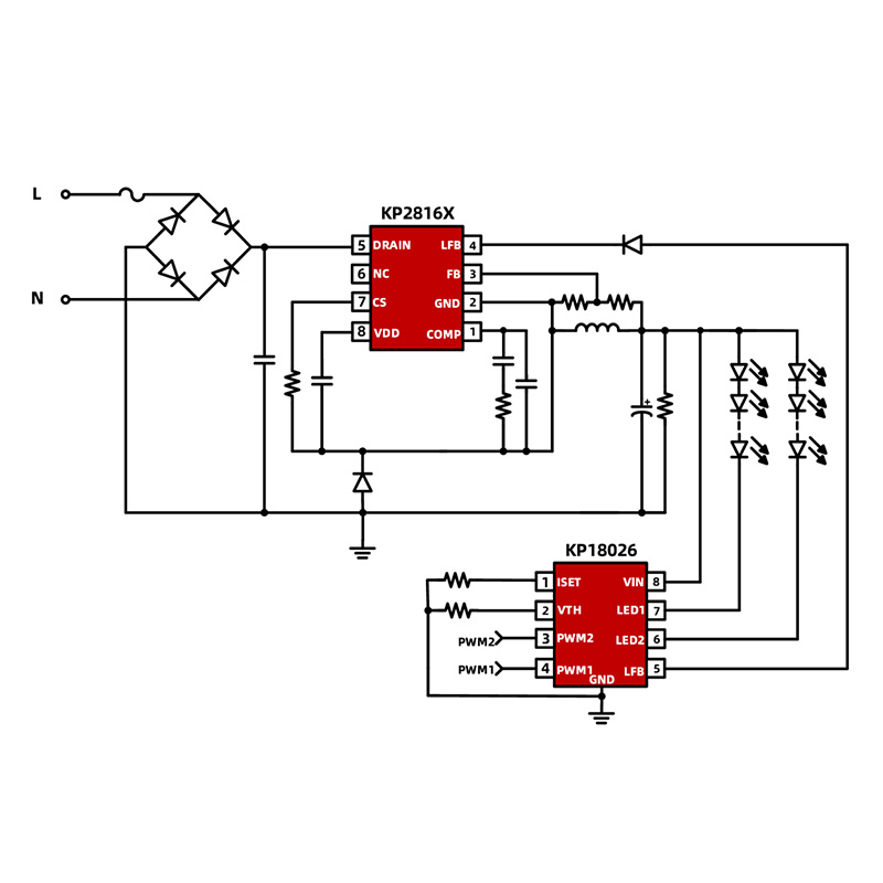
KP28123SGA - однокаскадный неизолированный понижающий преобразователь постоянного напряжения с высокой коррекцией коэффициента мощности. KP28122SGA объединяет высоковольтные силовые МОП-транзисторы на 500 В, высоковольтные схемы запуска и питания, что упрощает проектирование системы и производственные затраты.

Отправить запрос

Описание продукта

Неизолированный встроенный MOS-чип BUCK с высоким коэффициентом мощности и постоянным напряжением, неизолированное затемнение без стробоскопического чипа


KP28122SGA — это переключатель мощности с постоянным выходным напряжением для регулирования яркости и тонирования светодиодов. Чип работает в квазирезонансном режиме и адаптивно регулирует выходное напряжение, что не только соответствует требованиям к напряжению линейного постоянного тока после каскада, но и повышает эффективность системы. KP28122SGA имеет встроенный высоковольтный силовой МОП-транзистор на 500 В, а также высоковольтную схему запуска и питания, что упрощает проектирование системы и снижает производственные затраты. Чип имеет режим снижения частоты при легкой нагрузке, который может улучшить стабильность системы при небольшой нагрузке или без нагрузки и имеет высокую эффективность. KP28122 оснащен полным набором функций защиты, включая: защиту от пониженного напряжения VDD (UVLO), защиту от повышенного выходного напряжения (OVP), защиту от короткого замыкания на выходе (SCP), циклическое ограничение тока (OCP), встроенную защиту от перегрева и переднее гашение. (ЛЕБ).


Главная особенность

• Квазирезонансный режим работы, высокий КПД.

• Коэффициент мощности >0,9

• Запатентованная адаптивная архитектура управления постоянным напряжением.

• Встроенная схема запуска и подачи питания высокого напряжения.

• Встроенный МОП-транзистор высокого напряжения 500 В.

• Отсутствие шума в диапазоне полной нагрузки.

• Тип инкапсуляции СОП-8.


• Встроенные функции защиты:

• Защита от пониженного напряжения VDD (VDD UVLO).

• Защита от перенапряжения на выходе (OVP).

• Защита выхода от короткого замыкания (SCP)

• Защита от перегрева (OTP)

• Передняя заглушка (LEB)


Типичное применение

• Интеллектуальное освещение с регулировкой яркости и цветовой гаммы.

• Источник питания постоянного напряжения.



Связаться с нами

Шэньчжэнь штаб-квартира: 10-й этаж, здание Центра исследований и разработок, Индустриальный парк EVOC, 

Gулица Уанмин, Гуанмин Район, город Шэньчжэнь, провинция Гуандун, Китай

Официальный сайт компании: www.cokinsemi.com

 

Электронная почта: wyq@cokinic.com

Телефон:+86-18681585060

 




Горячие Теги: KP28122SGA, Китай, Производитель, Поставщик, Фабрика, Индивидуальные, Низкая цена, Качество, Передовые, Прочные, Последние продажи, В наличии
Связанная категория
Отправить запрос
Пожалуйста, не стесняйтесь дать свой запрос в форме ниже. Мы ответим вам в течение 24 часов.
X
Мы используем файлы cookie, чтобы предложить вам лучший опыт просмотра, анализировать трафик сайта и персонализировать контент. Используя этот сайт, вы соглашаетесь на использование нами файлов cookie. политика конфиденциальности
Отклонять Принимать