КП28162СГА
  • КП28162СГАКП28162СГА

КП28162СГА

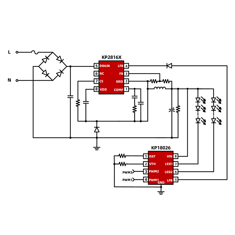
KP28162SGA — это однокаскадный неизолированный понижающий преобразователь постоянного напряжения с высоким коэффициентом коррекции коэффициента мощности. Чип использует квазирезонансный режим работы и адаптивно регулирует выходное напряжение, что не только соответствует требованиям к напряжению более поздней ступени линейного постоянного тока, но и повышает эффективность системы.

Отправить запрос

Описание продукта

Неизолированный встроенный MOS-чип BUCK с высоким коэффициентом мощности и постоянным напряжением, неизолированное затемнение без стробоскопического чипа


KP28162SGA — это переключатель мощности с постоянным выходным напряжением для регулирования яркости и тонирования светодиодов. Чип работает в квазирезонансном режиме и адаптивно регулирует выходное напряжение, что не только соответствует требованиям к напряжению линейного постоянного тока после каскада, но и повышает эффективность системы. KP28162SGA имеет встроенный высоковольтный силовой МОП-транзистор на 500 В, а также высоковольтную схему запуска и питания, что упрощает проектирование системы и снижает производственные затраты. Чип имеет режим снижения частоты при легкой нагрузке, который может улучшить стабильность системы при небольшой нагрузке или без нагрузки и имеет высокую эффективность. KP28162 оснащен полным набором функций защиты, в том числе: защита от пониженного напряжения VDD (UVLO), защита от повышенного выходного напряжения (OVP), защита от короткого замыкания на выходе (SCP), ограничение циклического тока (OCP), встроенная защита от перегрева, гашение переднего фронта (LEB). ), и т. д.


Главная особенность

• Квазирезонансный режим работы, высокий КПД.

• Коэффициент мощности >0,7

• Запатентованная адаптивная архитектура управления постоянным напряжением.

• Встроенная схема запуска и подачи питания высокого напряжения.

• Встроенный МОП-транзистор высокого напряжения 500 В.

• Отсутствие шума в диапазоне полной нагрузки.

• Тип инкапсуляции СОП-8.


• Встроенные функции защиты:

• Защита от пониженного напряжения VDD (VDD UVLO).

• Защита от перенапряжения на выходе (OVP).

• Защита выхода от короткого замыкания (SCP)

• Защита от перегрева (OTP)

• Передняя заглушка (LEB)


Типичное применение

• Интеллектуальное освещение с регулировкой яркости и цветовой гаммы.

• Источник питания постоянного напряжения.



Связаться с нами

Шэньчжэнь штаб-квартира: 10-й этаж, здание Центра исследований и разработок, Индустриальный парк EVOC, 

Gулица Уанмин, Гуанмин Район, город Шэньчжэнь, провинция Гуандун, Китай

Официальный сайт компании: www.cokinsemi.com

 

Электронная почта: wyq@cokinic.com

Телефон:+86-18681585060

 




Горячие Теги: KP28162SGA, Китай, Производитель, Поставщик, Фабрика, Индивидуальные, Низкая цена, Качество, Передовые, Прочные, Последние продажи, В наличии
Связанная категория
Отправить запрос
Пожалуйста, не стесняйтесь дать свой запрос в форме ниже. Мы ответим вам в течение 24 часов.
X
Мы используем файлы cookie, чтобы предложить вам лучший опыт просмотра, анализировать трафик сайта и персонализировать контент. Используя этот сайт, вы соглашаетесь на использование нами файлов cookie. политика конфиденциальности
Отклонять Принимать