КП3310
  • КП3310КП3310

КП3310

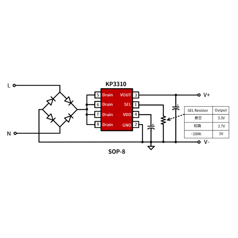
KP3310 — это автономный линейный стабилизатор компактной конструкции без индуктивности. Регулируя сопротивление контакта SEL, KP3310 может получить трехступенчатое выходное напряжение 5 В/3,3 В/2,7 В.

Отправить запрос

Описание продукта

Автономный, безиндукторный линейный стабилизатор переменного тока с входом переменного тока


KP3310 — это автономный линейный стабилизатор компактной конструкции без индуктивности. Регулируя сопротивление контакта SEL, KP3310 может получить трехступенчатое выходное напряжение 5 В/3,3 В/2,7 В. KP3310 — это простое и надежное решение для автономного источника питания.


KP3310 включает в себя силовой МОП-транзистор 650 В, схему управления запуском, схему управления напряжением VDD, схему синхронного обнаружения сигнала переменного тока, регулятор разницы низкого напряжения и т. д. Чип интеллектуально управляет входной энергией переменного тока, чтобы уменьшить потери в системе, повысить эффективность системы и эффективно уменьшить время ожидания системы.


KP3310 объединяет полные функции защиты с функцией самовосстановления: защита от пониженного напряжения VDD, защита от повышенного напряжения VDD, защита от перегрузки на выходе, защита от пониженного выходного напряжения, защита от грозовых перенапряжений и встроенная защита от перегрева.


Основная особенность

• Высокоточное выходное напряжение: 2%

• Регулируемый выход: 5 В/3,3 В/2,7 В

• Оптимизируйте режим управления для повышения эффективности.

• Широкий диапазон входного напряжения: 80–305 В переменного тока.

• Не требуется силовая индуктивность

• Конденсатор высокого напряжения не требуется.

• Мало устройств, низкая стоимость

• Быстрый динамический отклик

• Защита выхода от короткого замыкания

• Защита от пониженного напряжения на выходе

• Защита от перегрузки на выходе

• Встроенная защита от перегрева.

• Тип корпуса СОП-8, ДИП-8


Типичное применение

• Блок питания для мелкой бытовой техники

• Настенные выключатели и диммеры



Связаться с нами

Шэньчжэнь штаб-квартира: 10-й этаж, здание Центра исследований и разработок, Индустриальный парк EVOC, 

Gулица Уанмин, Гуанмин Район, город Шэньчжэнь, провинция Гуандун, Китай

Официальный сайт компании: www.cokinsemi.com

 

Электронная почта: wyq@cokinic.com

Телефон:+86-18681585060

 




Горячие Теги: KP3310, Китай, Производитель, Поставщик, Фабрика, Индивидуальные, Низкая цена, Качество, Передовые, Прочные, Последние продажи, В наличии
Связанная категория
Отправить запрос
Пожалуйста, не стесняйтесь дать свой запрос в форме ниже. Мы ответим вам в течение 24 часов.
X
Мы используем файлы cookie, чтобы предложить вам лучший опыт просмотра, анализировать трафик сайта и персонализировать контент. Используя этот сайт, вы соглашаетесь на использование нами файлов cookie. политика конфиденциальности
Отклонять Принимать