СИ1211
  • СИ1211СИ1211

СИ1211

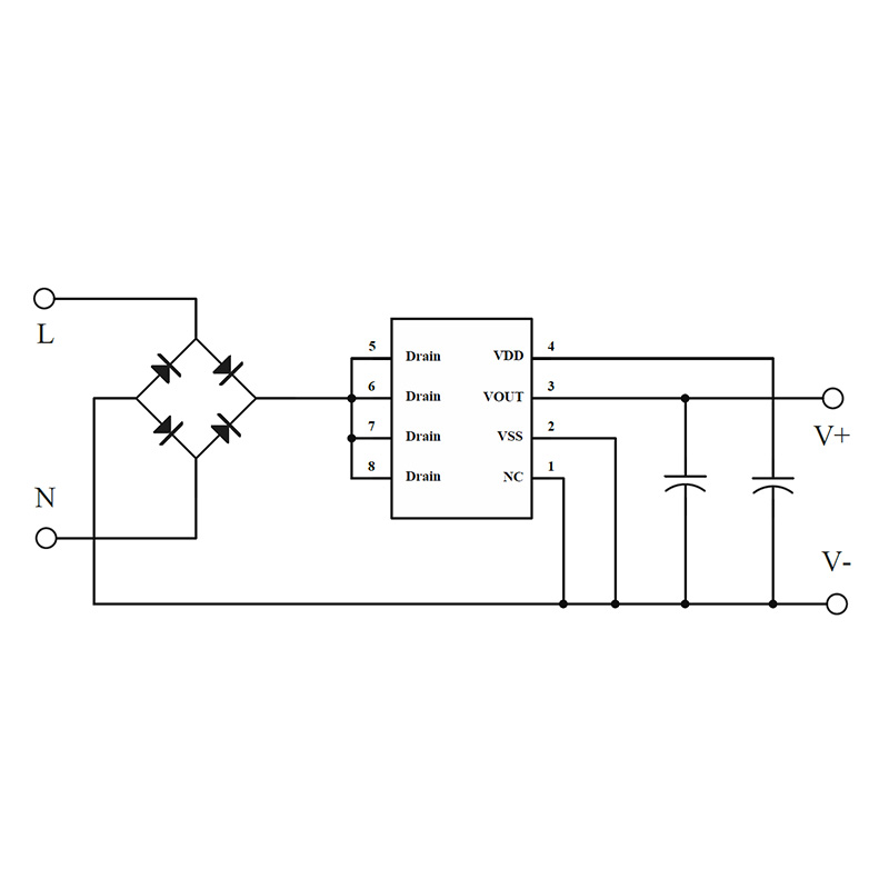
SI1211 представляет собой высоковольтный линейный LDO-чип постоянного напряжения переменного тока с компактной безиндукторной конструкцией.

Отправить запрос

Описание продукта

Автономный, безиндукторный линейный стабилизатор переменного тока с входом переменного тока


SI1211 — это компактный автономный линейный стабилизатор напряжения неиндуктивной конструкции. Регулируя сопротивление контакта SEL, AS3310 может получить выходное напряжение второй передачи 5 В/3,3 В. SI1211 — это простое и надежное решение для автономного источника питания.


SI1211 включает в себя силовой МОП-транзистор 650 В, схему управления запуском, схему управления напряжением VDD, схему синхронного обнаружения сигнала переменного тока, регулятор разницы низкого напряжения и т. д. Чип интеллектуально управляет входной энергией переменного тока, чтобы уменьшить потери в системе, повысить эффективность системы и эффективно снизить система находится в режиме ожидания.


SI1211 объединяет полные функции защиты с самовосстановлением: защита от пониженного напряжения VDD, защита от повышенного напряжения VDD, защита от перегрузки по выходу, защита от пониженного выходного напряжения, защита от грозовых перенапряжений и встроенная защита от перегрева.


Основная особенность

• Высокоточное выходное напряжение: 2%

• Регулируемый выход: 5 В/3,3 В.

• Оптимизируйте режим управления для повышения эффективности.

• Широкий диапазон входного напряжения: 80–305 В переменного тока.

• Не требуется силовая индуктивность

• Конденсатор высокого напряжения не требуется.

• Мало устройств, низкая стоимость

• Быстрый динамический отклик

• Защита выхода от короткого замыкания

• Защита от пониженного напряжения на выходе

• Защита от перегрузки на выходе

• Встроенная защита от перегрева.

• Тип инкапсуляции СОП-8.


Типичное применение

• Блок питания для мелкой бытовой техники

• Настенные выключатели и диммеры



Связаться с нами

Шэньчжэнь штаб-квартира: 10-й этаж, здание Центра исследований и разработок, Индустриальный парк EVOC, 

Gулица Уанмин, Гуанмин Район, город Шэньчжэнь, провинция Гуандун, Китай

Официальный сайт компании: www.cokinsemi.com

 

Электронная почта: wyq@cokinic.com

Телефон:+86-18681585060

 




Горячие Теги: SI1211, Китай, Производитель, Поставщик, Фабрика, Индивидуальные, Низкая цена, Качество, Передовые, Прочные, Последние продажи, В наличии
Связанная категория
Отправить запрос
Пожалуйста, не стесняйтесь дать свой запрос в форме ниже. Мы ответим вам в течение 24 часов.
X
Мы используем файлы cookie, чтобы предложить вам лучший опыт просмотра, анализировать трафик сайта и персонализировать контент. Используя этот сайт, вы соглашаетесь на использование нами файлов cookie. политика конфиденциальности
Отклонять Принимать